
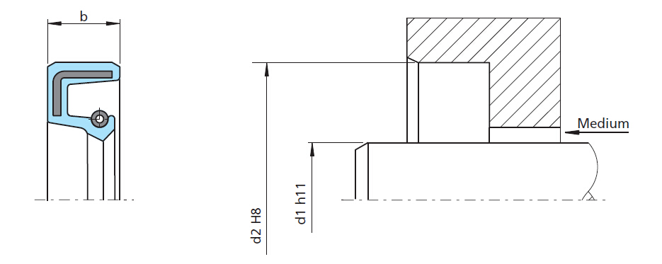
特瑞堡徑向骨架油封TRA -Turcon Radial oil seal type TRA

Trelleborg Sealing Solutions type TRA are seals with
completely rubber covered outer diameter. Two different
O.D design are available : Flat rubber sheath as well as
wavy.
This type is not recommended for use in heavily polluted
environments.
Technical data
Pressure: up to 0.05 MPa
Temperature: -40°C to +200°C
(depending on material)
Speed: up to 30m/s
(depending on material)
Media: mineral and synthetic lubricants
(CLP, HLP, APGL etc.)
Trelleborg Sealing Solutions has carried out several
thousands compatibility tests. Please ask for details.
Advantages
- Good static sealing
- Compensation of different thermal expansion
- Reduced risk of fretting corrosion
- Higher bore surface roughness is allowed
- Installation in split-housings
- Modern lip design provides low radial forces
Application examples
- Transmission systems (e.g. gearboxes)
- Pumps
- Electrical motors
- Machine tools
