
特瑞堡佐康威士密封圈-ZURCON WYNSEAL

Advantages
- High static and dynamic sealing effect
- High abrasion resistance
- Simple groove design, one-piece piston possible
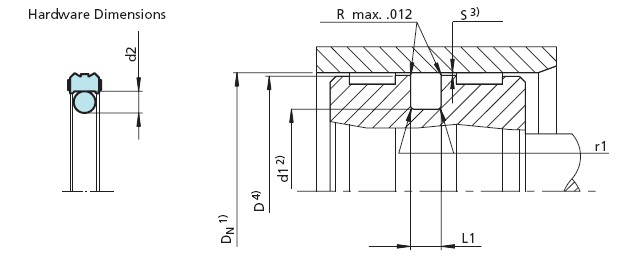
- Suitable for grooves to ISO 7425, Part 1
* Because of cross-sectional area constraints, PW10 and
PW11 cross sections do not have the center support
Buldge.
Application Examples
The Zurcon® Wynseal is the recommended element for
double-acting pistons of hydraulic components in various
sectors such as:
- Machine tools
- Forklifts & handling machinery
- Agriculture
- Industrial hydraulic light to medium duty
Technical Data
Pressure: Up to 3,600 psi (25 MPa) (Z20N)
Velocity: Up to 1.65 ft/s (0.5 m/s)
Temperature: -31°F to +230°F (-35°C to + 110°C)
Media: Mineral oil-based hydraulic fluids

Materials
Standard Materials:
Seal ring: Zurcon® Z20, 93 Shore A
O—Ring: NBR 70 Shore A
Ordering example
PW1101000
PW1101125
PW1101250
PW1101375
PW1101500
PW1201625
PW1201750
PW1201875
PW1202000
PW1202125
PW1202250
PW1202375
PW1202500
PW1202750
PW1203000
PW1303250
PW1303500
PW1303750
PW1304000
PW1304250
PW1304500
PW1304750
PW1305000
PW1305250
PW1405500
PW1405750
PW1406000
PW1406500
PW1407000
PW1407500
PW1408000
PW1408500
PW1409000
PW1409500
PW1410000
PW1410500
PW1411000
PW1411500
PW1412000
PW1412500
PW1513000
PW1513500
PW1514000
PW1514500
PW1515000
PW1515500
PW1516000
PW1516500
PW1517000
PW1517500
PW1518000
PW1518500
PW1519000
PW1519500
PW1520000
