
|
Turcon Stepseal 2K -OG HYDRAULIC PISTON SEALING SET -Merkel Omegat OMK-E
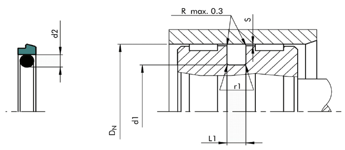
1.Name: GSD
|
|
Categories: Piston Seals->GSD
|
|
Pressure(MPa):60
|
|
Temperature (C): -45/+200
|
|
Speed(m/s):15
|

