RSJ shaft seal -2k type Teconster seal - RSK type piston rod seal
1. Standard materials:
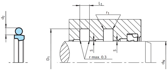
Sealing body (sealing ring): filled with PTFE F-PTFE and polyurethane sealing ring
Elastomer O-ring: Nitrile rubber NBR or fluororubber (FKM, FPM)
2. Application scope
RSJ shaft seal is generally used in hydraulic reciprocating Motor system. Suitable for sealing applications under high, medium, low pressure, heavy load, and high-frequency conditions, it is very excellent. Suitable for various stroke and wide range fluids and high temperature situations, suitable for larger piston rod clearances.
Applicable environment:
For example, it is used in bulldozers, excavators, forging machines, ceramic brick presses, steel rolling machines, servo valves, and machine tools.
Reference standards:
Comply with GB/T 15242.1-94 and GB/T 15242.3-94 standards. Can refer to Trelleborg's RSK series
3. Features and advantages
1. The groove structure is simple, can work with or without lubrication, and has a long service life;
2. Low friction, no crawling or sticking phenomenon;
3. Stable size, not affected by temperature;
4. Good dynamic and static sealing performance and simple installation;
5. Good extrusion resistance, no trapped pressure, and can be installed in multiple series;
6. It has excellent buffering effect on strong impact pressure.